Проектирование систем сжатого воздуха и вакуума

"Системы сжатого воздуха и вакуума" — это критически важная "кровеносная система" многих производств. Получите надежную и экономичную пневмосеть, которая гарантирует бесперебойную работу вашего оборудования и минимизирует затраты на электроэнергию.

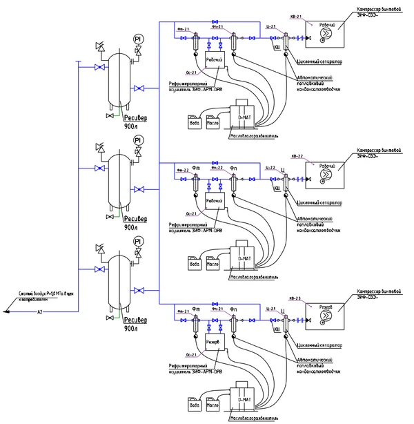
Сжатый воздух и вакуум — это не просто коммуникации, а ресурс, напрямую влияющий на стабильность и себестоимость вашего производства. Неэффективная система ведет к простоям оборудования, перерасходу электроэнергии и повышенным эксплуатационным расходам. Мы проектируем системы, которые работают как часы. От компрессорной или вакуумной станции до каждого потребителя — мы просчитываем и оптимизируем каждый элемент. Расчет и подбор оборудования: Мы определяем потребление воздуха, считаем пиковые нагрузки и потери давления, чтобы подобрать компрессоры, осушители, ресиверы и вакуумные насосы оптимальной мощности. Это избавляет Вас от переплаты за избыточное оборудование или рисков нехватки производительности. Оптимальная трассировка магистралей: Мы проектируем кольцевые или тупиковые сети с правильными уклонами и точками конденсатоотводов. Наша цель — обеспечить стабильное давление в самых удаленных точках системы без лишних потерь.

8 ключевых задач, которые мы решаем

Точный расчёт производительности

Избавляем от риска нехватки воздуха или переплаты за избыточную мощность компрессоров.

Подбор энергоэффективного оборудования

Снижаем ваши эксплуатационные расходы на электроэнергию на всём сроке службы системы.

Оптимизация трассировки для минимизации потерь

Минимизируем потери давления, обеспечивая стабильные параметры у самого удалённого потребителя.

Обеспечение требуемого класса чистоты воздуха

Защищаем пневмооборудование от износа и коррозии, исключая простои из-за поломок.

Интеграция с другими инженерными системами цеха (BIM)

Исключаем коллизии на монтаже и ускоряем согласование проектной документации.

Компактная и безопасная компоновка станции

Экономим производственную площадь и создаём безопасные условия для обслуживающего персонала.

Автоматизация и каскадное управление

Экономим производственную площадь и создаём безопасные условия для обслуживающего персонала.

Расчёт системы утилизации тепла (рекуперации)

Позволяем использовать тепло от компрессоров для отопления или ГВС, снижая общие энергозатраты.

Фокус на экономии ресурсов

Мы закладываем решения, снижающие ваши долгосрочные затраты:  рекуперация тепла, каскадное управление компрессорами, выбор энергоэффективного оборудования.

Что вы получаете в результате?

Комплект рабочей или проектной документации  для реализации системы, которая: Надежна: Обеспечивает требуемые и стабильные параметры у каждого потребителя. Экономична: Минимизирует затраты на реализацию и дальнейшее обслуживание. Готова к монтажу: Наши чертежи и спецификации исключают неоднозначности, ускоряя и удешевляя процесс строительства.

Превратим сжатый воздух из статьи расходов в драйвер стабильности производства

Превратим сжатый воздух из статьи расходов в драйвер стабильности производства

Пришлите техзадание или планировку цеха. Мы в течение 24 часов подготовим оценку стоимости и сроков проекта

Нажимая на кнопку, вы соглашаетесь с пользовательским соглашением

Перед отправкой ознакомьтесь с политикой конфиденциальности